| Name | Size | Description | |
|---|---|---|---|
| Parent Directory | - | ||
| BKSVGA_card.rar | 1.0M | ||
| Out_fpga7064.rar | 209K | ||
| Registry_fpga.rar | 283K | ||
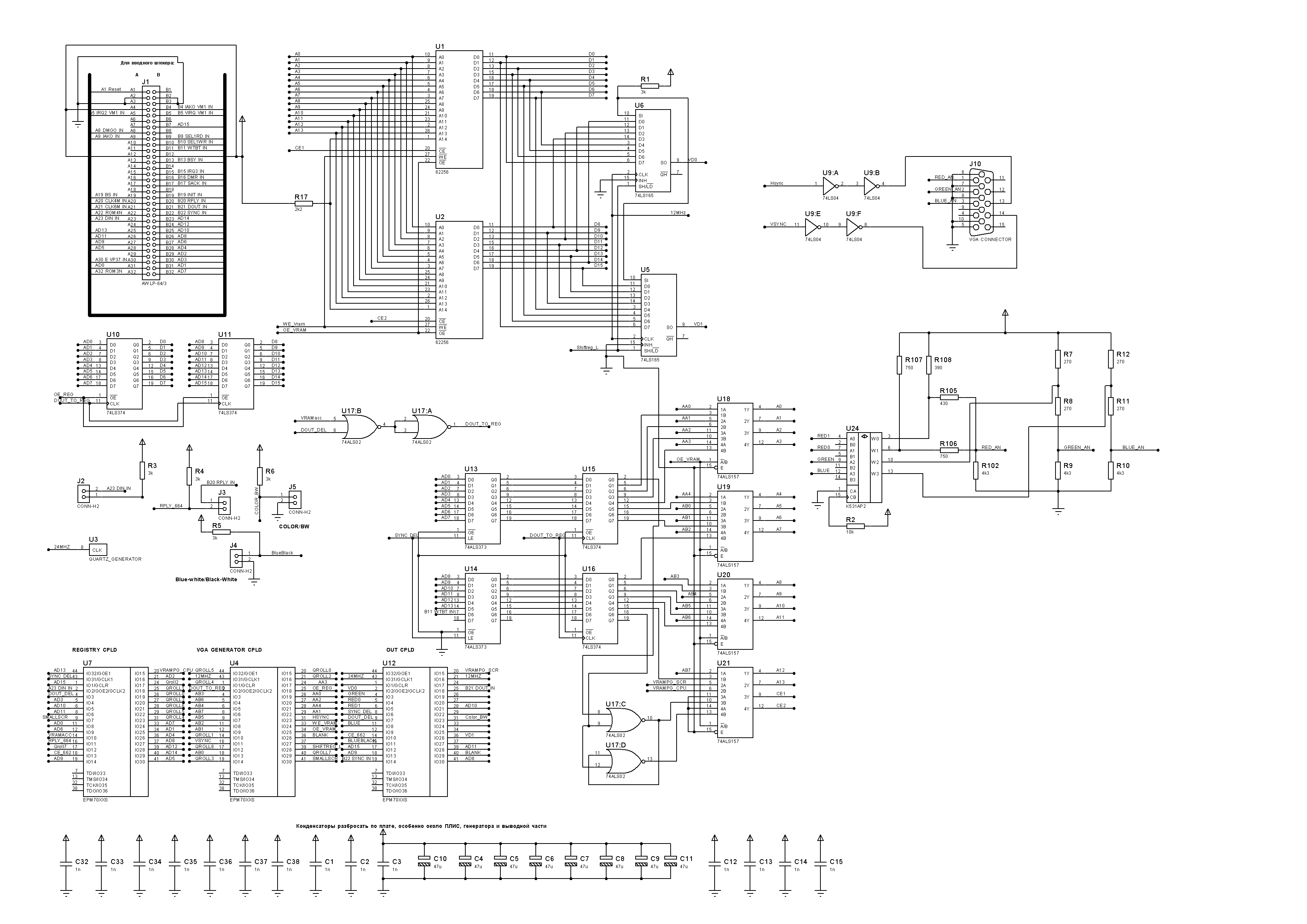
| shema.gif | 136K | ||
| VGA_Generator_V2_Discrete.rar | 380K |
Архив BKSVGA_card.rar с файлами квартуса и схемой в протеусе.
Источник, авторская публикация на форуме:
http://zx.pk.ru/showpost.php?p=658668&postcount=1